Система "LH-Jetronic" отличается от
систем "LE-Jetronic" главным образом измерителем
расхода воздуха. Эта система представляет собой
также систему прерывистого впрыска топлива
низкого давления. Электронный блок управления
(цифровая микроЭВМ) приводит соотношение воздуха
и топлива в соответствие с нагрузкой и числом
оборотов коленчатого вала двигателя.
Электрический топливный насос
забирает топливо из бака и подает его под
давлением через фильтр 2 (рис. 1) к форсункам 5. В
зависимости от давления во впускном коллекторе
регулятор давления 4 поддерживает постоянным
давление подачи топлива к форсункам (давление
постоянно для данного разрежения).
Электронный блок управления 6
рассчитывает количество топлива, поступающего к
форсункам и поддерживает постоянный состав
смеси в зависимости от:
- количества всасываемого воздуха, определяемого
измерителем 7 с нагреваемым проводником;
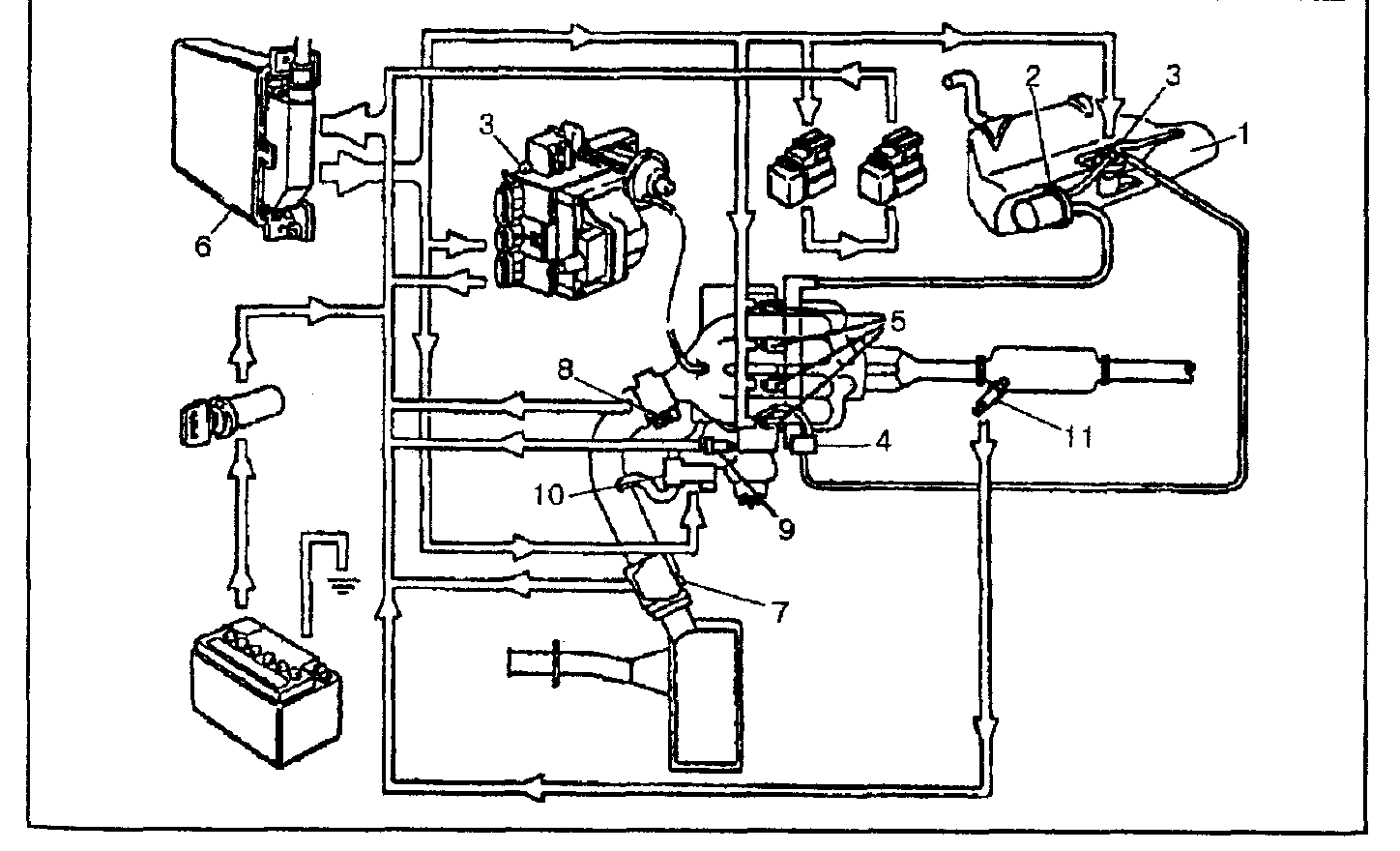
Рис. 1. Схема системы впрыска LH2.2-Jetronic":
1 - топливный бак, 2 - фильтр тонкой очистки топлива, 3 - топливный насос, 4 - регулятор Давления топлива, 5 - рабочие форсунки, 6 - электронный блок управления, 7 - измеритель массы воздуха с нагреваемым проводником, 8 - выключатель положения дроссельной заслонки, 9 - датчик температуры охлаждающей жидкости, 10 - регулятор холостого хода, 11 - датчик концентрации кислорода (лямбда-зонд)
- частоты вращения и углового
положения коленчатого вала двигателя по
сигналам датчика угловых импульсов и числа
оборотов;
- температуры охлаждающей жидкости по сигналам
датчика 9;
- положения дроссельной заслонки по сигналам от
выключателя 8.
На основе полученной информации электронный
блок 6 выдает управляющие импульсы, определяющие
продолжительность впрыскивания и,
следовательно, количество подаваемого в
двигатель топлива, одновременно на все форсунки,
которые установлены перед впускными клапанами.
Для предупреждения попадания в
цилиндры неучтенного измерителем воздуха
впускной тракт двигателя тщательно
герметизирован.
В системах "LH-Jetronic" применяется
термоанемометрический измеритель расхода
воздуха (греч. анемос - ветер). Принцип его
действия - тепловая энергия, необходимая в
единицу времени для поддержания постоянного
перепада температур между нагреваемым элементом
и обтекающим его воздухом, пропорциональна
массовому расходу воздуха проходящего через
заданное сечение потока. Измерительный
теплообменный элемент представляет собой
платиновую проволоку диаметром 0,07 мм (допустимое
отклонение в несколько мкм), размещенную в
середине цилиндрического воздушного канала. На
входе и выходе канала устанавливаются
специальные направляющие для получения
параллельных струйвоздуха. Перед входом
установлена защитная решетка. Постоянный
перепад температур равен 150ёС, ток изменяется от
500 до 1500 мА. Величина тока нагрева требуемого для
сохранения постоянного температурного перепада
между воздухом и проводником, является мерой
массы воздуха, поступающего в двигатель. Этот ток
преобразуется в импульсы напряжения, которые
обрабатываются блоком электронного управления
как основной входной параметр наравне с частотой
вращения коленчатого вала двигателя. Диапазон
измерения расхода воздуха составляет от 9 до 360
кг/ч.
Воздух даже после фильтра оказывается
слишком "грязным" (органические частицы) для
термоанемометрического измерителя. Поэтому
предусмотрено самоочищение платиновой
проволоки расходомера воздуха. Оно
осуществляется после каждой остановки двигателя
автоматическим нагревом этой проволоки до
1000-1100ёС. Применение таких расходомеров позволяет
непосредственно устанавливать взаимосвязь
между массами воздуха и топлива поступающими в
двигатель (с корректировкой по режимам). Однако,
цена термоанемометрического расходомера не идет
ни в какое сравнение с ценой рассмотренного выше
механического расходомера-трубки Вентури.
ХОЛОСТОЙ ХОД И ПУСК ХОЛОДНОГО ДВИГАТЕЛЯ
В воздушном канале, выполненном параллельно каналу дроссельной заслонки, установлен двухклапанный регулятор холостого хода обеспечивающий подвод добавочного воздуха на режиме холостого хода. Проходное сечение канала изменяется клапанами регулятора с целью поддержания чисел оборотов холостого хода в заданных пределах. Один из клапанов срабатывает когда температура охлаждающей жидкости ниже 50ёС, т.е. при пуске холодного двигателя, другой - во всем диапазоне температур охлаждающей жидкости. Клапаны регулятора холостого хода управляются электронным блоком на основе информации от:
- выключателя кондиционера;
- выключателя сцепления;
- электронного блока управления электрооборудованием, который определяет общий расход электроэнергии всеми электрическими системами автомобиля;
- выключателя положения дроссельной заслонки;
- датчика числа оборотов двигателя (установлен в корпусе распределителя зажигания);
- датчика давления в системе гидроусилителя руля;
- датчика температуры охлаждающей
жидкости.
ПРОВЕРКА ФОРСУНОК
Форсунки подключите попарно, замерьте сопротивление между двумя левыми и правыми контактами, которое должно быть 8 Ом. Если сопротивление равно 16 Ом, значит неисправна одна из двух соответствующих форсунок или есть обрыв в проводах идущих к ним. Если сопротивление бесконечно велико, это указывает на неисправность обеих форсунок или на обрыв идущих к ним проводов.
Когда величина сопротивления между левыми и правыми контактами не соответствует норме (8 Ом), измерьте сопротивление непосредственно на выводах вызывающей сомнения форсунки. Если сопротивление составляет 16 Ом, проверьте провода и их соединения.
Рабочее напряжение форсунок, В:
при запуске двигателя: 0,6 (600 мВ);
на холостом ходу при непрогретом двигателе: 0,35 (350 мВ);
на холостом ходу при прогретом
двигателе: 0,28 (280 мВ).
ПРОВЕРКА РЕЛЕ ПИТАНИЯ ЭЛЕКТРОННОГО БЛОКА УПРАВЛЕНИЯ И ИЗМЕРИТЕЛЯ МАССЫ ВОЗДУХА
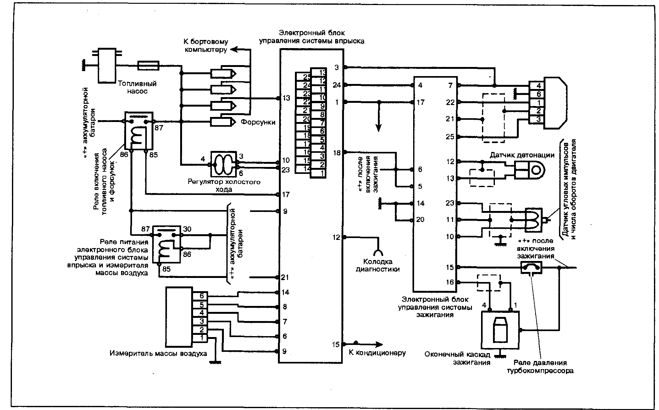
Соедините вывод "85" реле на "массу", (рис. 2), при этом реле должно сработать с характерным звуком.
Измерьте напряжение между выводами "86" и "87" реле. Если напряжение равно нулю или если реле не срабатывает, проверьте провода и их соединения. Если обрывов в проводах нет, замените реле.
Рис. 2, а. Схема соединений системы впрыска
"LH2.2-Jetronic" автомобилей Volvo-440, -460, -480 для
двигателя B18FT (Turbo)
Рис. 2, б. Схема соединений системы впрыска
"LH2.2-Jetronic" автомобилей Volvo-440, -460, -480 для
двигателя B18FTM 107 (Turbo)
ПРОВЕРКА РЕЛЕ ВКЛЮЧЕНИЯ ТОПЛИВНОГО НАСОСА И ФОРСУНОК
Включите зажигание,
соедините вывод "85" реле на "массу". При
этом реле должно сработать, а топливный насос
включится.
Если топливный насос не работает,
проверьте, нет ли обрыва в проводе, соединяющем
вывод "86" реле включения топливного насоса и
форсунок и вывод "87" реле питания блока
управления и измерителя расхода воздуха.
Измерьте напряжение между выводами
"86" и "87" реле включения топливного
насоса и форсунок. При напряжении равном нулю,
проверьте, нет ли обрыва в проводах, идущих к
топливному насосу. Если провода целы, замените
реле.
ПРОВЕРКА ИЗМЕРИТЕЛЯ МАССЫ ВОЗДУХА
Измерьте напряжение
между штекерами "5" и "1" разъема, (см.
рис. 2), которое должно быть равно 12 В. Разъедините
разъем измерителя массы воздуха и измерьте
сопротивление между штекерами "2" и "3"
разъема измерителя, оно должно быть 2,7 Ом.
Измерьте сопротивление между
штекерами "2" и "6" разъема измерителя,
которое в зависимости от положения
потенциометра регулировки качества (состава)
смеси должно быть 0-1000 Ом.
Если хотя бы одна из величин
сопротивления не соответствует норме, проверьте
цепь подвода напряжения питания к измерителю.
Если напряжение питания подается, замените
измеритель.
ПРОВЕРКА И РЕГУЛИРОВКА ВЫКЛЮЧАТЕЛЯ ПОЛОЖЕНИЯ ДРОССЕЛЬНОЙ ЗАСЛОНКИ
Разъедините разъем выключателя. Измерьте сопротивление между штекерами "4" и "б", (см. рис. 2), разъема, которое при опущенной педали акселератора должно быть равно нулю, а при полностью нажатой педали - бесконечности. Если хотя бы одна из величин не соответствует норме, отрегулируйте выключатель дроссельной заслонки или замените его.
Сопротивление между штекерами "1" и "3" разъема выключателя:
при отпущенной педали "газа": 5500 Ом
при нажатой до упора педали: 300 Ом.
Сопротивление между штекерами "2" и "3" разъема выключателя:
при отпущенной педали "газа": 500 Ом
при нажатой до упора педали: 3700 Ом.
Таблица 1. Проверка электрических
параметров системы впрыска "LH2.2-Jetronie" на
штекерах разъема электронного блока управления
| Проверяемый узел или параметр | Места подключения выводов контрольного прибора, способ проверки | Контрольное значение | Условия проверки | Метод устранения неисправности | ||||
| 1 | 2 | 3 | 4 | 5 | ||||
| Замыкание на "массу" | Штекер
"5" и "масса" Штекер "11" и "масса" Штекер "19" и "масса" Штекер "25" и "масса" |
R=0 Ом | - | Проверить провода и их соединения. Проверить соединение на "массу" около впускного коллектора | ||||
| Колодка диагностики | Штекер "22" и "масса" Штекер "12" и "масса" | r=m | - | Проверить провода и их соединения на колодке диагностики | ||||
| Напряжение | Штекер "18" и "масса" | U=12B | Включить зажигание | Проверить степень зарядки аккумулятор | ||||
| питания | U=>9 В | Включить стартер | ной батареи, провода и их соединения | |||||
| Датчик угловых импульсов и числа оборотов двигателя | Штекер "1" и "масса" | U=3-4 В (прерывисто) | Включить стартер | Проверить электронный блок управления зажиганием | ||||
| Реле питания электронного блока управления и | Соединить штекер "21" на "массу" | U=12B | Вкпючить
Зажигание |
Если
реле не срабатывает, проверить про вода и их соединения или заменить реле |
||||
| измерителя массы воздуха | Штекер "9" и "масса" | |||||||
| Реле включения топливного насоса и форсунок | Соединить штекеры "21" и "17" на "массу" | Срабатывание реле | Включить зажигание | Проверить провода и их соединения | ||||
| Регулятор
холостого хода |
Штекер "23" и вывод "87" реле включения топливного насоса и форсунок | R=20 Ом | __ | Проверить провода и их соединения | ||||
| Штекер "10" и вывод "87" реле включения топливного насоса и форсунок | ||||||||
| Измеритель массы воздуха |
Штекеры "6" и "7" | R=2,7 Ом | В зависимости от положения регулировочного потенциометра качества (состава) смеси | Проверить провода и их соединения. Если обрывов нет, заменить измеритель массы воздуха | ||||
| Штекеры "6" и "14" | R=0-1000 Ом | |||||||
| Датчик температуры охлаждающей жидкости | Штекер "2" и "масса" | см. ниже | - | Проверить провода и их соединения. Если обрывов нет, заменить датчик температуры охлаждающей жидкости | ||||
| Выключатель
дроссельной заслонки
|
Штекер "3" и "масса" | R=0 Ом | Педаль акселератора отпущена | Отрегулировать выключатель дроссельной заслонки. Проверить провода и их соединения. Если обрывов нет - заменить выключатель | ||||
| R=I | Нажать до упора педаль акселератора | |||||||
Таблица 2. Контрольные параметры
датчика температуры охлаждающей жидкости.
| Двигатель
В 18 FT
|
температура охлаждающей жидкости, ёС | -10 | Сопротивление, Ом | 8260-10650 |
| +20 | 2280-2720 | |||
| +80 | 290-300 | |||
Двигатель В 18 FTM 107
|
температура
охлаждающей жидкости, ёС
|
-10ё | Сопротивление, Ом | 8000-11000 |
| +20ё | 2000-4000 | |||
| +50-+80ё | 600-900 200-400 | |||
| +90ё | 100-300 |
Для регулировки
выключателя ослабьте винты крепления, поверните
выключатель до упора по часовой стрелке. Затем
поверните выключатель против часовой стрелки до
щелчка. Не меняя положения выключателя, затяните
винты его крепления.
Для регулировки исходного положения
дроссельной заслонки ослабьте контргайку ее
регулировочного винта. Выверните регулировочный
винт так, чтобы дроссельная заслонка полностью
закрылась. Вверните регулировочный винт до
соприкосновения дроссельной заслонки с рычагом
ее управления, после чего доверните винт на 1/4
оборота. Затяните контргайку, стараясь при этом
не изменить положение регулировочного винта
дроссельной заслонки.
ДИАГНОСТИКА НЕИСПРАВНОСТЕЙ
При нарушении работы
системы впрыска, прежде чем приступить к
определению неисправностей электронного блока
управления или какого-либо датчика, проверьте
состояние всех разъемов. Для этого разъедините
разъемы, очистите их и обработайте специальным
средством в аэрозольной упаковке для
восстановления электрического контакта.
В электронном блоке управления
имеется запоминающее устройство, регистрирующее
все неисправности, возникающие при работе
двигателя. На автомобилях Volvo-440; 460; 480 запрос
запоминающего устройства производится с помощью
тестера Volvo 8/90.
Можно также проверить электрические
параметры системы впрыска на штекерах разъема
электронного блока управления, (табл. 2).
ПРОВЕРКА РЕГУЛЯТОРА ХОЛОСТОГО ХОДА
Соедините белый
провод колодки диагностики, (см. рис. 2), с
"массой", при этом регулятор должен
закрыться. Включите кондиционер, запустите
двигатель, подключите тахометр. Измерьте частоту
вращения коленчатого вала, которая должна быть 700
об/мин.
При необходимости отрегулируйте
частоту вращения коленчатого вала двигателя на
холостом ходу регулировочным винтом подачи
воздуха, расположенным на корпусе дроссельной
заслонки.
Отсоедините белый провод колодки
диагностики от "массы". При этом частота
вращения коленчатого вала двигателя должна
возрасти до 800+25 об/мин. Если этого не произошло,
проверьте провода и их соединения, при
необходимости замените провода.